
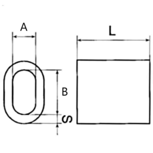
| Item no | Ferrule Code. | A(mm) | B(mm) | S(mm) | L(mm) | Weight | L'(MM) |
| kbs/1000pcs | GB6946-93 | ||||||
| 7003001 | 1 | 1.2 | 2.4 | 0.65 | 5 | 0.098 | – |
| 7003002 | 1.5 | 1.7 | 3.4 | 0.75 | 6 | 0.176 | – |
| 7003003 | 2 | 2.2 | 4.4 | 0.85 | 7 | 0.285 | – |
| 7003004 | 2.5 | 2.7 | 5.4 | 1.05 | 9 | 0.439 | – |
| 7003005 | 3 | 3.3 | 6.6 | 1.25 | 11 | 0.907 | – |
| 7003006 | 3.5 | 3.8 | 7.6 | 1.5 | 13 | 1.18 | – |
| 7003007 | 4 | 4.4 | 8.8 | 1.7 | 14 | 1.63 | – |
| 7003008 | 4.5 | 4.9 | 9.8 | 1.9 | 16 | 2.39 | – |
| 7003009 | 5 | 5.5 | 11 | 2.1 | 18 | 3.62 | – |
| 7003010 | 6 | 6.6 | 13.2 | 2.5 | 21 | 5.87 | 25 |
| 7003011 | 6.5 | 7.2 | 14.4 | 2.7 | 23 | 7.18 | – |
| 7003012 | 7 | 7.8 | 15.6 | 2.9 | 25 | 9.83 | 30 |
| 7003013 | 8 | 8.8 | 17.6 | 3.3 | 28 | 12.96 | 34 |
| 7003014 | 9 | 9.9 | 19.8 | 3.7 | 32 | 18.94 | 38 |
| 7003015 | 10 | 10.9 | 21.8 | 4.1 | 35 | 24.09 | 42 |
| 7003016 | 11 | 12.1 | 24.2 | 4.5 | 39 | 35.35 | 47 |
| 7003017 | 12 | 13.2 | 26.4 | 4.9 | 42 | 44.18 | 50 |
| 7003018 | 13 | 14.2 | 28.4 | 5.4 | 46 | 59.86 | 55 |
| 7003019 | 14 | 15.3 | 30.6 | 5.8 | 49 | 73.5 | 59 |
| 7003020 | 16 | 17.5 | 35 | 6.7 | 56 | 111 | 67 |
| 7003021 | 18 | 19.6 | 39.2 | 7.6 | 63 | 156 | 76 |
| 7003022 | 20 | 21.7 | 43.4 | 8.4 | 70 | 217 | 84 |
| 7003023 | 22 | 24.3 | 48.6 | 9.2 | 77 | 292 | 92 |
| 7003024 | 24 | 26.4 | 52.8 | 10 | 84 | 376 | 101 |
| 7003025 | 26 | 28.5 | 57 | 10.9 | 91 | 481 | 109 |
| 7003026 | 28 | 31 | 62 | 11.7 | 98 | 603 | 118 |
| 7003027 | 30 | 33.1 | 66.2 | 12.5 | 105 | 739 | 126 |
| 7003028 | 32 | 35.2 | 70.4 | 13.4 | 112 | 897 | 134 |
| 7003029 | 34 | 37.8 | 75.6 | 14.2 | 119 | 1077 | 143 |
| 7003030 | 36 | 39.8 | 79.6 | 15 | 126 | 1275 | 152 |
| 7003031 | 38 | 41.9 | 83.8 | 15.8 | 133 | 1503 | 160 |
| 7003032 | 40 | 44 | 88 | 16.6 | 140 | 1734 | 168 |
| 7003033 | 42 | 46.2 | 92.4 | 17.5 | 147 | 2024 | – |
| 7003034 | 44 | 48.4 | 96.8 | 18.3 | 154 | 2314 | 184 |
| 7003035 | 46 | 50.6 | 101.2 | 19.2 | 161 | 2662 | – |
| 7003036 | 48 | 52.8 | 105.6 | 20 | 168 | 3010 | 200 |
| 7003037 | 50 | 55 | 110 | 20.8 | 175 | 3412 | – |
| 7003038 | 52 | 57.2 | 114.4 | 21.6 | 182 | 3813 | 216 |
| 7003039 | 54 | 59.4 | 118.8 | 22.5 | 189 | 4293 | – |
| 7003040 | 56 | 61.6 | 123.2 | 23.3 | 196 | 4772 | 232 |
| 7003041 | 58 | 63.8 | 127.6 | 24.2 | 203 | 5326 | – |
| 7003042 | 60 | 66 | 132 | 25 | 210 | 5880 | 248 |







Reviews
There are no reviews yet.